خرید ژنراتور مکالته مدل ECO 38-3SN4
زندگی بدون برق ممکن است؟ قطعاً نه! پس چرا برای قطعی های ناگهانی آماده نباشید؟ ژنراتور مکالته مدل ECO 38-3SN4 با تکنولوژی پیشرفته و قدرت بالا، برقی پایدار را برای شما تضمین می کند. همین حالا از عارف دیزل خرید کنید و خیالتان را راحت کنید!
ضمانت و گارانتی عارف دیزل به همراه مشاوره رایگان و نصب و اجرای حرفه ای
📞 مشاوره رایگان 09122847033
قیمت ژنراتور مکالته مدل ECO 38-3SN4
ژنراتور مکالته، با مصرف سوخت بهینه، نیاز کمتر به تعمیر و دوام بالا، هزینه های شما را در بلندمدت کاهش می دهد. شاید برندهای ارزان تری وجود داشته باشند، اما آیا می توانند این کیفیت و عملکرد را ارائه دهند؟ در عارف دیزل، یک انتخاب هوشمندانه در انتظار شماست!
ویژگی های الکتریکی ژنراتور مکالته مدل ECO 38-3SN4
| فرکانس (Hz) | ۵۰ | ۵۰ | ۵۰ | ۵۰ | ۶۰ | ۶۰ | ۶۰ | ۶۰ |
|---|---|---|---|---|---|---|---|---|
| ولتاژ (ستاره سری) (V) | ۳۸۰ | ۴۰۰ | ۴۱۵ | ۴۴۰ | ۴۱۵ | ۴۴۰ | ۴۶۰ | ۴۸۰ |
| کلاس قدرت نامی H (kVA) | ۲۲۵ | ۲۲۵ | ۲۲۵ | ۲۱۰ | ۲۶۰ | ۲۷۰ | ۲۷۰ | ۲۷۰ |
| kW | ۱۸۰ | ۱۸۰ | ۱۸۰ | ۱۶۸ | ۲۰۸ | ۲۱۶ | ۲۱۶ | ۲۱۶ |
| کلاس قدرت نامی F (kVA) | ۲۰۷ | ۲۰۷ | ۲۰۷ | ۱۹۰ | ۲۴۰ | ۲۵۰ | ۲۵۰ | ۲۵۰ |
| kW | ۱۶۶ | ۱۶۶ | ۱۶۶ | ۱۵۲ | ۱۹۲ | ۲۰۰ | ۲۰۰ | ۲۰۰ |
| تنظیم با UVR6 | ±۱ % با هر فاکتور قدرت و تغییرات سرعت بین -۵% تا +۳۰% | |||||||
| کلاس عایق | H | |||||||
| اجرا | بدون برس | |||||||
| پیچش استاتور | ۱۲ انتها | |||||||
| روتور | با قفس دما | |||||||
| کلاس بهرهوری H 4/4 (%) | ۹۲٫۹ | ۹۳٫۰ | ۹۲٫۷ | ۹۲٫۵ | ۹۳٫۵ | ۹۴٫۰ | ۹۴٫۱ | ۹۴٫۲ |
| کلاس بهرهوری ۳/۴ (%) | ۹۳٫۰ | ۹۳٫۳ | ۹۳٫۲ | ۹۲٫۹ | ۹۳٫۹ | ۹۴٫۱ | ۹۴٫۳ | ۹۴٫۵ |
| کلاس بهرهوری ۲/۴ (%) | ۹۱٫۹ | ۹۲٫۰ | ۹۲٫۰ | ۹۱٫۸ | ۹۳٫۱ | ۹۳٫۲ | ۹۳٫۳ | ۹۳٫۴ |
| کلاس بهرهوری ۱/۴ (%) | ۸۹٫۶ | ۸۹٫۴ | ۸۹٫۲ | ۸۹٫۰ | ۹۰٫۶ | ۹۰٫۶ | ۹۰٫۶ | ۹۰٫۴ |
| واکنشها (kVA F) Xd % | ۲۱۲٫۷ | ۱۹۲٫۰ | ۱۷۸٫۴ | ۱۴۸٫۱ | ۲۴۷٫۳ | ۲۲۸٫۵ | ۲۰۹٫۱ | ۱۹۲٫۰ |
| Xd’ % | ۱۳٫۶ | ۱۲٫۳ | ۱۱٫۴ | ۹٫۵ | ۱۵٫۸ | ۱۴٫۶ | ۱۳٫۴ | ۱۲٫۳ |
| Xd” % | ۷٫۲ | ۶٫۵ | ۶٫۰ | ۵٫۰ | ۸٫۴ | ۷٫۷ | ۷٫۱ | ۶٫۵ |
| Xq % | ۱۱۷٫۵ | ۱۰۶٫۰ | ۹۸٫۵ | ۸۱٫۸ | ۱۳۶٫۶ | ۱۲۶٫۱ | ۱۱۵٫۴ | ۱۰۶٫۰ |
| Xq’ % | ۱۱۷٫۵ | ۱۰۶٫۰ | ۹۸٫۵ | ۸۱٫۸ | ۱۳۶٫۶ | ۱۲۶٫۱ | ۱۱۵٫۴ | ۱۰۶٫۰ |
| Xq” % | ۲۴٫۶ | ۲۲٫۲ | ۲۰٫۶ | ۱۷٫۱ | ۲۸٫۶ | ۲۶٫۴ | ۲۴٫۲ | ۲۲٫۲ |
| X2 % | ۱۷٫۱ | ۱۵٫۴ | ۱۴٫۳ | ۱۱٫۹ | ۱۹٫۸ | ۱۸٫۳ | ۱۶٫۸ | ۱۵٫۴ |
| X0 % | ۲٫۹ | ۲٫۶ | ۲٫۴ | ۲٫۰ | ۳٫۳ | ۳٫۱ | ۲٫۸ | ۲٫۶ |
| نسبت اتصال کوتاه (Kcc) | ۰٫۴۲ | ۰٫۴۵ | ۰٫۶۷ | ۱٫۱۲ | ۰٫۳۲ | ۰٫۳۷ | ۰٫۴۲ | ۰٫۴۵ |
| ثوابت زمانی | Td’ (ثانیه) | ۰٫۰۸۳ | Td” (ثانیه) | ۰٫۰۱۳ | Tdo’ (ثانیه) | ۱٫۱۰ | Tα (ثانیه) | ۰٫۰۱۸ |
| ظرفیت جریان اتصال کوتاه (%) | >300 | >300 | >300 | >300 | >350 | >350 | >350 | >350 |
| تحریک در حالت بدون بار (آمپر) | ۰٫۵۵ | ۰٫۶۷ | ۰٫۸ | ۱٫۱ | ۰٫۳ | ۰٫۴ | ۰٫۵ | ۰٫۶۵ |
| تحریک در حالت بار کامل (آمپر) | ۲٫۸ | ۳٫۰ | ۳٫۲ | ۳٫۳ | ۲٫۴ | ۲٫۵ | ۲٫۷ | ۲٫۹ |
| اضافه بار (طولانیمدت) (%) | ۱۱۰% بار نامی به مدت ۱ ساعت در ۶ ساعت | |||||||
| اضافه بار در ۲۰ ثانیه (%) | ۳۰۰ | |||||||
| مقاومت پیچش استاتور (۲۰°C) (اهم) | ۰٫۰۰۸۵ | |||||||
| مقاومت پیچش روتور (۲۰°C) (اهم) | ۴٫۴۴۹ | |||||||
| مقاومت تحریککننده (۲۰°C) (اهم) | روتور: ۰٫۶۸۵ | روتور: ۰٫۶۸۵ | روتور: ۰٫۶۸۵ | روتور: ۰٫۶۸۵ | استاتور: ۱۵٫۲۸ | استاتور: ۱۵٫۲۸ | استاتور: ۱۵٫۲۸ | استاتور: ۱۵٫۲۸ |
| انتقال حرارت در f.l.cl.H (وات) | ۱۳۷۵۷ | ۱۳۵۴۸ | ۱۴۱۷۵ | ۱۳۶۲۲ | ۱۴۴۶۰ | ۱۳۷۸۷ | ۱۳۵۴۳ | ۱۳۲۹۹ |
| مداخله تلفن (FHT) | < 2% TIF < 40 | |||||||
| مداخله رادیویی | EN 50081-1، EN 50082-1، VDE0875K. برای سایرین استانداردها برای کارخانه اعمال می شود | |||||||
| تحریف شکل موج (THD) در بار کامل (LL/LN) (%) | ۲٫۸ / ۲٫۹ | |||||||
| تحریف شکل موج (THD) در حالت بدون بار (LL/LN) (%) | ۲٫۶ / ۲٫۸ | |||||||
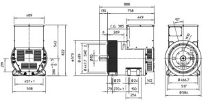
ویژگی های مکانیکی
| محافظت | IP 21 (محافظت دیگر به درخواست) | |
|---|---|---|
| بلبرینگ DE | ۶۳۱۸٫۲RS | |
| بلبرینگ NDE | ۶۳۱۴٫۲RS | |
| وزن مجموعه استاتور پیچیده (کیلوگرم) | ۱۹۵ | |
| وزن مجموعه روتور پیچیده (کیلوگرم) | ۱۲۸ | |
| وزن کل ژنراتور (کیلوگرم) | ۵۹۰ | |
| حداکثر سرعت اضافی (دور در دقیقه) | ۲۲۵۰ | |
| کشیدگی مغناطیسی نامتعادل در f.l.cl.F (kN/mm) | ۵٫۷ | |
| نیاز به هوای خنک کننده (متر مکعب در دقیقه) | ۳۲ | ۳۹ |
| ثابت اینرسی (H) (ثانیه) | ۰٫۱۱۴ | ۰٫۱۳۷ |
| سطح نویز در فاصله ۱م/۷م (dB(A)) | ۸۲ / ۶۹ | ۸۶ / ۷۳ |
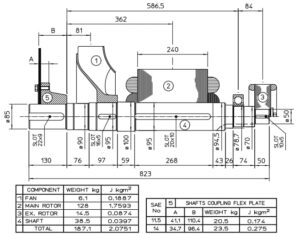
نوع ژنراتور: ECO 38-3SN4
۵۰ هرتز
۶۰ هرتز
دو بعد بلبرینگ
دو گشتاور باربری اینرسی
تک گشتاور باربری اینرسی
ضمانت و گارانتی عارف دیزل به همراه مشاوره رایگان و نصب و اجرای حرفه ای
📞 مشاوره رایگان 09122847033










